4001老百汇net

您当前所在的位置:4001老百汇net > 芯必达 > 模拟功率
产品介绍

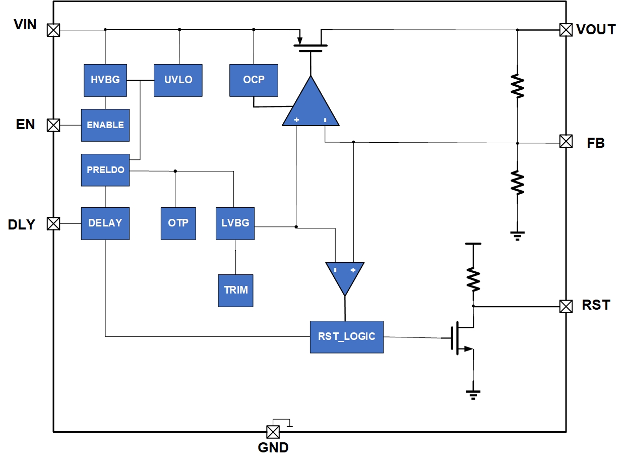
IM6L4x50 车规级高压LDO 500mA,40V LDO

IM6L4x50
车规级高压LDO
500mA,40V LDO

• 符合汽车应用的 AEC-Q100 Grade1 标准
• 内部结温: -40℃ ~ +150℃
• 工作电压范围:4.3V至40V
• 输出电压范围:
• 可调节输出:1.2V至18V
• 固定输出:3.3V和5V
• 最大输出电流: 500mA
• 低静态电流:
• 轻负载时典型值为17µA
• 禁能时典型值为3µA
• 具有电源正常状态指示功能(Power Good),支持延迟周期可编程
• 封装类型:
• 5引脚TO-252封装
• 带有散热焊盘的8引脚ESOP-8封装

规格参数

应用场景

  • 可重新配置仪表组

  • 车身控制模块(BCM)

  • 常开型电池链接应用:汽车网关、远程免钥匙进入(RKE)
     


规格书下载

点击下载产品规格书(中文)

◆ 本规格书仅供客户选型参考使用,若有任何变更,恕不另行通知。

◆ 若有疑问,请与我方联系获取相关技术支持。

×
复制成功

微信号:Gaochip-Leo

添加微信好友,详细了解更多信息